Serie anti-interferencia NNG1 (M)
CLION
| Estado de Disponibilidad: | |
|---|---|
| Cantidad: | |
Los relés de estado sólido anti-interferencia (SSR) juegan un papel importante en el campo del control industrial debido a su excelente desempeño.
La SSR anti-interferencia utiliza un diseño avanzado para resistir efectivamente la interferencia electromagnética (EMI) y la interferencia de radiofrecuencia (RFI). Debido a que las SSR funcionan en función de los dispositivos semiconductores, no generan campos electromagnéticos en comparación con los relés mecánicos tradicionales, por lo que son menos sensibles a la interferencia electromagnética externa. Esta característica es particularmente importante en los entornos industriales, donde la radiación electromagnética generada por dispositivos como motores, relés, inversores, etc., puede tener un impacto en los relés mecánicos tradicionales, mientras que las SSR pueden resistir esta interferencia.
La SSR es conocida por su durabilidad y su largo ciclo de vida. En teoría, si la corriente no excede 1/3 de la calificación, en ausencia de sobretensión, temperatura alta y disipación normal de calor, la SSR se puede usar durante al menos 5-10 años. Su componente central interno es el tiristor, que pertenece a componentes de semiconductores de potencia, y en teoría el número de tiempos de activación puede alcanzar 10 a la duodécima potencia, excediendo con creces los 10 a la 5ta potencia de los contactores de CA ordinarios.
La SSR no tiene piezas mecánicas en movimiento, por lo que no hay acción mecánica en el trabajo, y tiene ventajas sobre EMR, como resistencia a los choques y resistencia al choque mecánico. Esta característica hace que la SSR funcione de manera estable incluso en el entorno de alto impacto y vibración. Debido a las características inherentes de los componentes que constituyen la SSR, se determinan la larga vida y la alta confiabilidad de la SSR.
SSR está diseñado con la facilidad del usuario en mente. Por lo general, admiten diferentes conexiones y métodos de montaje, como el montaje de panel y el riel, así como las láminas de silicona térmica de serie, y tienen un sistema de accesorios completo como los sujetadores de radiador y de montaje, lo cual es extremadamente fácil de usar.
La seguridad resistente a la manipulación de SSR también es una característica significativa. Por lo general, tienen una identificación clara del final de control y el final de la carga para garantizar la seguridad de la conexión del usuario. Este diseño ayuda a prevenir el acceso y la manipulación no autorizados, especialmente en aplicaciones donde la seguridad es crítica.
En resumen, la SSR anti-interferencia proporciona una solución confiable en aplicaciones de automatización industrial y control con su alta confiabilidad, larga vida útil, resistencia a los choques y vibraciones, facilidad de uso y seguridad a prueba de manipulaciones.
| Voltaje de control | 3-32VDC |
| Corriente de control | 6-25MA |
| Voltaje conectado | 3VDC |
| Voltaje de apagado | 1vdc |
| Voltaje de carga | 22: 24-240VAC 38: 24-440VAC |
| Corriente de carga | 10a, 15a, 20a, 25a, 30a, 40a, 60a, 80a, 100a |
| Temperatura ambiente | -30 ~ 80 ℃ |
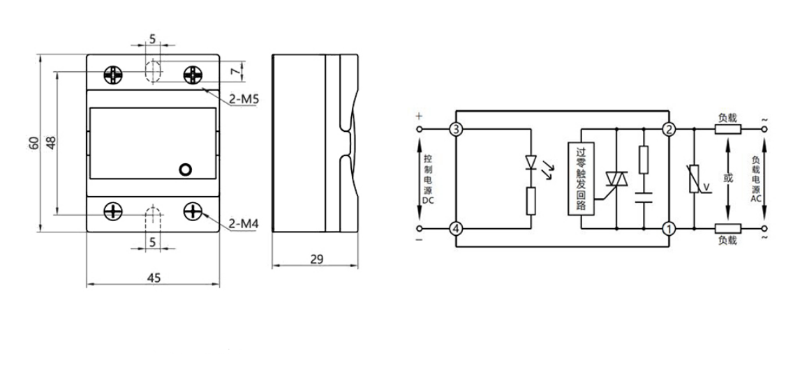
| Dimensión | 60 × 45 × 29 mm |
Los relés de estado sólido anti-interferencia (SSR) juegan un papel importante en el campo del control industrial debido a su excelente desempeño.
La SSR anti-interferencia utiliza un diseño avanzado para resistir efectivamente la interferencia electromagnética (EMI) y la interferencia de radiofrecuencia (RFI). Debido a que las SSR funcionan en función de los dispositivos semiconductores, no generan campos electromagnéticos en comparación con los relés mecánicos tradicionales, por lo que son menos sensibles a la interferencia electromagnética externa. Esta característica es particularmente importante en los entornos industriales, donde la radiación electromagnética generada por dispositivos como motores, relés, inversores, etc., puede tener un impacto en los relés mecánicos tradicionales, mientras que las SSR pueden resistir esta interferencia.
La SSR es conocida por su durabilidad y su largo ciclo de vida. En teoría, si la corriente no excede 1/3 de la calificación, en ausencia de sobretensión, temperatura alta y disipación normal de calor, la SSR se puede usar durante al menos 5-10 años. Su componente central interno es el tiristor, que pertenece a componentes de semiconductores de potencia, y en teoría el número de tiempos de activación puede alcanzar 10 a la duodécima potencia, excediendo con creces los 10 a la 5ta potencia de los contactores de CA ordinarios.
La SSR no tiene piezas mecánicas en movimiento, por lo que no hay acción mecánica en el trabajo, y tiene ventajas sobre EMR, como resistencia a los choques y resistencia al choque mecánico. Esta característica hace que la SSR funcione de manera estable incluso en el entorno de alto impacto y vibración. Debido a las características inherentes de los componentes que constituyen la SSR, se determinan la larga vida y la alta confiabilidad de la SSR.
SSR está diseñado con la facilidad del usuario en mente. Por lo general, admiten diferentes conexiones y métodos de montaje, como el montaje de panel y el riel, así como las láminas de silicona térmica de serie, y tienen un sistema de accesorios completo como los sujetadores de radiador y de montaje, lo cual es extremadamente fácil de usar.
La seguridad resistente a la manipulación de SSR también es una característica significativa. Por lo general, tienen una identificación clara del final de control y el final de la carga para garantizar la seguridad de la conexión del usuario. Este diseño ayuda a prevenir el acceso y la manipulación no autorizados, especialmente en aplicaciones donde la seguridad es crítica.
En resumen, la SSR anti-interferencia proporciona una solución confiable en aplicaciones de automatización industrial y control con su alta confiabilidad, larga vida útil, resistencia a los choques y vibraciones, facilidad de uso y seguridad a prueba de manipulaciones.
| Voltaje de control | 3-32VDC |
| Corriente de control | 6-25MA |
| Voltaje conectado | 3VDC |
| Voltaje de apagado | 1vdc |
| Voltaje de carga | 22: 24-240VAC 38: 24-440VAC |
| Corriente de carga | 10a, 15a, 20a, 25a, 30a, 40a, 60a, 80a, 100a |
| Temperatura ambiente | -30 ~ 80 ℃ |
| Dimensión | 60 × 45 × 29 mm |