NNG1C-1/032F-120(SSR-DA)
CLION
| Estado de Disponibilidad: | |
|---|---|
| Cantidad: | |
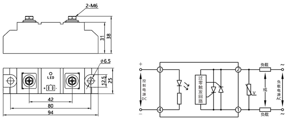
El relé de estado sólido NNG1C-1/032F-120 es un relé de grado industrial diseñado con una configuración de entrada de CC y salida de CA. Su tecnología de estado sólido de vanguardia garantiza una alta confiabilidad, tiempos de respuesta rápidos y conmutación sin contacto, lo que lo convierte en un componente esencial en los sistemas de automatización industrial modernos. Este relé ha ganado gran popularidad por su durabilidad, eficiencia y capacidad para satisfacer diversas demandas de aplicaciones.
En esencia, un relé de estado sólido funciona como un interruptor electrónico sin contacto alimentado por dispositivos semiconductores. Cuando se recibe una señal de control, el relé transfiere la señal a la salida mediante aislamiento optoelectrónico. Este diseño elimina los contactos mecánicos, evitando problemas como el desgaste y el rebote que se observan comúnmente en los relés electromagnéticos tradicionales.
El resultado es un relé con una vida útil significativamente más larga y velocidades de respuesta varias veces más rápidas que los relés convencionales, ideal para satisfacer las crecientes demandas de la automatización industrial.
Versatilidad de entrada CC y salida CA
El NNG1C-1/032F-120 admite entradas de voltaje de CC y salidas de voltaje de CA, lo que garantiza la compatibilidad con diversos entornos de suministro de energía. Su amplio rango de control de voltaje se adapta perfectamente a los diferentes requisitos de control.
Diseño energéticamente eficiente
Construido teniendo en cuenta la eficiencia energética, este relé consume solo entre 5 y 25 mA y ofrece capacidades de respuesta de alta velocidad. Se alinea con los objetivos de sostenibilidad modernos sin comprometer el rendimiento.
Aislamiento y seguridad superiores
La carcasa del relé presenta propiedades de aislamiento robustas, lo que garantiza un funcionamiento seguro y confiable en entornos industriales y residenciales.
Adaptabilidad a las condiciones ambientales.
Diseñado para funcionar en condiciones de temperatura extrema, este relé ofrece un funcionamiento confiable en diversos climas y atiende a clientes en diversas regiones.
El NNG1C-1/032F-120 Relé de estado sólido Es versátil y ampliamente utilizado en los siguientes campos:
Sistemas de control de luces de señal y parpadeo.
Equipos de iluminación y escenario.
Instrumentos y medidores
Dispositivos médicos
Equipos de oficina como duplicadoras.
Lavadoras automáticas
Sistemas contra incendios y seguridad.
Sistemas de redes eléctricas para compensación del factor de potencia.
Este relé combina tecnología avanzada, eficiencia energética y rendimiento sólido para satisfacer las demandas de la automatización industrial y las aplicaciones de consumo. Con su funcionamiento confiable, características de seguridad mejoradas y adaptabilidad a entornos desafiantes, es una opción ideal para una amplia gama de industrias.
El relé de estado sólido NNG1C-1/032F-120 es un relé de grado industrial diseñado con una configuración de entrada de CC y salida de CA. Su tecnología de estado sólido de vanguardia garantiza una alta confiabilidad, tiempos de respuesta rápidos y conmutación sin contacto, lo que lo convierte en un componente esencial en los sistemas de automatización industrial modernos. Este relé ha ganado gran popularidad por su durabilidad, eficiencia y capacidad para satisfacer diversas demandas de aplicaciones.
En esencia, un relé de estado sólido funciona como un interruptor electrónico sin contacto alimentado por dispositivos semiconductores. Cuando se recibe una señal de control, el relé transfiere la señal a la salida mediante aislamiento optoelectrónico. Este diseño elimina los contactos mecánicos, evitando problemas como el desgaste y el rebote que se observan comúnmente en los relés electromagnéticos tradicionales.
El resultado es un relé con una vida útil significativamente más larga y velocidades de respuesta varias veces más rápidas que los relés convencionales, ideal para satisfacer las crecientes demandas de la automatización industrial.
Versatilidad de entrada CC y salida CA
El NNG1C-1/032F-120 admite entradas de voltaje de CC y salidas de voltaje de CA, lo que garantiza la compatibilidad con diversos entornos de suministro de energía. Su amplio rango de control de voltaje se adapta perfectamente a los diferentes requisitos de control.
Diseño energéticamente eficiente
Construido teniendo en cuenta la eficiencia energética, este relé consume solo entre 5 y 25 mA y ofrece capacidades de respuesta de alta velocidad. Se alinea con los objetivos de sostenibilidad modernos sin comprometer el rendimiento.
Aislamiento y seguridad superiores
La carcasa del relé presenta propiedades de aislamiento robustas, lo que garantiza un funcionamiento seguro y confiable en entornos industriales y residenciales.
Adaptabilidad a las condiciones ambientales.
Diseñado para funcionar en condiciones de temperatura extrema, este relé ofrece un funcionamiento confiable en diversos climas y atiende a clientes en diversas regiones.
El NNG1C-1/032F-120 Relé de estado sólido Es versátil y ampliamente utilizado en los siguientes campos:
Sistemas de control de luces de señal y parpadeo.
Equipos de iluminación y escenario.
Instrumentos y medidores
Dispositivos médicos
Equipos de oficina como duplicadoras.
Lavadoras automáticas
Sistemas contra incendios y seguridad.
Sistemas de redes eléctricas para compensación del factor de potencia.
Este relé combina tecnología avanzada, eficiencia energética y rendimiento sólido para satisfacer las demandas de la automatización industrial y las aplicaciones de consumo. Con su funcionamiento confiable, características de seguridad mejoradas y adaptabilidad a entornos desafiantes, es una opción ideal para una amplia gama de industrias.