ESL4Z-7
Esinctrl
| Estado de Disponibilidad: | |
|---|---|
| Cantidad: | |
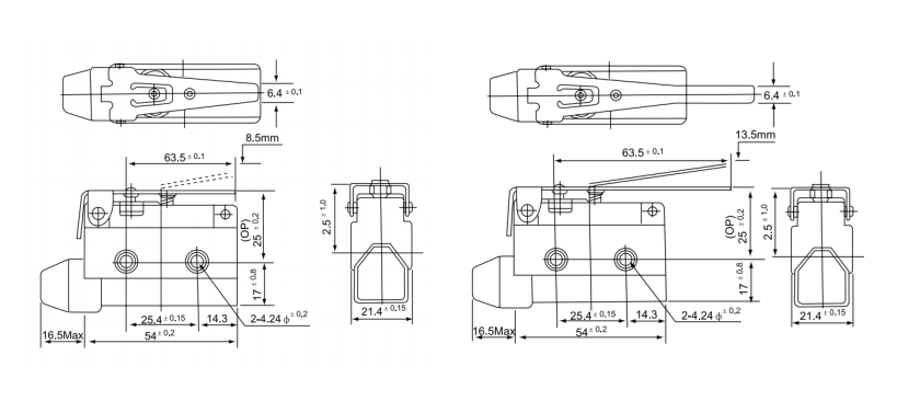
La serie ESL4Z-7 de interruptores de límite de resistencia mecánica alta es compatible con las dimensiones de instalación de ESMZ. Ofrecen 9 tipos de actuadores como el émbolo de primavera, la varilla de rodillos de bisagra, etc., y admiten cargas de grado industrial de 10a/250v AC. Adecuado para escenarios exigentes como ascensores y equipos automatizados, con una vida útil eléctrica de 500,000 ciclos que garantiza una operación confiable.
Mayor resistencia mecánica
El actuador está equipado con rodillos de resina de acero de resorte e ingeniería de alta resistencia (como el tipo W4/W41). La vibración (resistencia a la vibración a 55Hz/1.5 mm) puede soportar los impactos regulares en la línea de producción.
500,000 ciclos de operación eléctrica garantizan
que pase 5 × 10⁵ operaciones para verificación:
1) Resistencia al impacto de 300 m/s² (equivalente a 30 g de aceleración gravitacional)
2) Rango de temperatura de -20 ℃ a 70 ℃ (incluido el entorno de los talleres de alta temperatura)
Guía de selección de actuadores
| Uso de la situación | Tipo de actuador | Ventaja |
| Impacto vertical (máquina de estampado) | NJ67: Resina Rod Spring | Fuerza antilateral, 120 g de fuerza de funcionamiento |
| Singways Sliding (en una cinta transportadora) | W61: palanca de rodillos de bisagra de un sentido, rodillo de resina | Falso desencadenante anti-reverso |
| Posicionamiento preciso (para brazos robóticos) | D1: émbolo de primavera | ± 0.8 mm de tolerancia ultra pequeña |
Protección de sobrefuera: todos los actuadores están diseñados con un tampón de sobrefuera de 2-6 mm (consulte las páginas 6-8 para la tabla), para evitar una sobrecarga mecánica.
Tolerancia al aumento: admite la corriente de aumento 30a (NC)/15a (no) (página 2), abordando directamente el impacto de las cargas de motor/inductor
La serie ESL4Z-7 de interruptores de límite de resistencia mecánica alta es compatible con las dimensiones de instalación de ESMZ. Ofrecen 9 tipos de actuadores como el émbolo de primavera, la varilla de rodillos de bisagra, etc., y admiten cargas de grado industrial de 10a/250v AC. Adecuado para escenarios exigentes como ascensores y equipos automatizados, con una vida útil eléctrica de 500,000 ciclos que garantiza una operación confiable.
Mayor resistencia mecánica
El actuador está equipado con rodillos de resina de acero de resorte e ingeniería de alta resistencia (como el tipo W4/W41). La vibración (resistencia a la vibración a 55Hz/1.5 mm) puede soportar los impactos regulares en la línea de producción.
500,000 ciclos de operación eléctrica garantizan
que pase 5 × 10⁵ operaciones para verificación:
1) Resistencia al impacto de 300 m/s² (equivalente a 30 g de aceleración gravitacional)
2) Rango de temperatura de -20 ℃ a 70 ℃ (incluido el entorno de los talleres de alta temperatura)
Guía de selección de actuadores
| Uso de la situación | Tipo de actuador | Ventaja |
| Impacto vertical (máquina de estampado) | NJ67: Resina Rod Spring | Fuerza antilateral, 120 g de fuerza de funcionamiento |
| Singways Sliding (en una cinta transportadora) | W61: palanca de rodillos de bisagra de un sentido, rodillo de resina | Falso desencadenante anti-reverso |
| Posicionamiento preciso (para brazos robóticos) | D1: émbolo de primavera | ± 0.8 mm de tolerancia ultra pequeña |
Protección de sobrefuera: todos los actuadores están diseñados con un tampón de sobrefuera de 2-6 mm (consulte las páginas 6-8 para la tabla), para evitar una sobrecarga mecánica.
Tolerancia al aumento: admite la corriente de aumento 30a (NC)/15a (no) (página 2), abordando directamente el impacto de las cargas de motor/inductor